引言
在全球能源结构加速转型与新能源技术不断突破的背景下,微电网作为实现清洁能源高效利用的关键平台,正逐步成为能源系统升级的重要方向。其不仅有助于提升能源使用效率,还能显著增强电力系统的稳定性与供电可靠性。在此趋势下,光储充一体化微电网的运行策略优化及其实际应用,展现出巨大的发展潜力和现实意义。
一、新能源市场发展现状分析
当前,新能源产业正处于深刻变革之中。光伏发电建设成本持续走低,储能设备价格大幅下降,加之新能源汽车市场的迅猛扩张,共同为微电网的发展创造了有利条件。与此同时,电价机制改革深入推进,峰谷电价差逐步拉大,虚拟电厂等新型运营模式兴起,预示着微电网将在未来能源交易与管理中发挥更为关键的作用。
二、微电网发展的多重驱动因素
1. 电价上升压力加大,企业节能降耗需求迫切
- 电力市场化机制不断完善,代理购电价格呈上涨趋势
- 峰谷电价差异扩大,整体用电成本攀升
2. 电力体制改革深化,推动微电网盈利路径多元化
- 新能源发电主体被允许参与电力市场交易
- 负荷聚合商、虚拟电厂及微电网等新型市场主体可进入现货市场,提升经济收益能力
3. 电力供应紧张局势加剧,企业对供电可靠性的要求提高
- “双碳”目标下企业能耗监管趋严
- 频繁出现拉闸限电现象
- 极端气候如高温少雨影响发电出力
- 用电负荷屡创新高
- 主网供电可靠性面临挑战
4. 市场潜力巨大,应用场景加速拓展
- 全国10kV及以上电压等级的工商业用户超过200万户,具备建设或改造微电网的基础条件
- 按平均每户1-2MW规模测算,整体潜在市场规模可达约20万亿元
三、解决方案:微电网能量管理系统
安科瑞光储充微电网系统通过集成源、网、荷、储及充电负荷的全面监控、智能诊断、全景分析、有序调度与高级控制功能,满足微电网在运行监视、安全评估、动态调控和综合优化等方面的多样化需求。系统支持多目标下的资源协同互动与经济化运行,助力实现能源效益、经济效益与环境效益的最大化。
1. 核心功能模块
v 多协议兼容支持
系统支持多种通信规约,包括Modbus TCP/RTU、DL/T645-07/97、IEC60870-5-101/103/104、MQTT、CDT,并支持第三方协议定制开发,确保不同设备间的无缝接入。
v 多样化通信方式
支持串口、网口、WIFI、4G等多种通信手段,适应复杂现场环境下的数据传输需求。
v 通信管理能力
提供通信通道配置、参数设置、运行状态监测与管理功能;配备规约调试工具,可实时查看收发原始码、报文解析结果及通道健康状况。
v 智能化控制策略
支持用户自定义多种运行策略,如削峰填谷、需量控制、动态扩容、后备电源切换、波动平抑、有序充电管理、逆功率保护等,兼顾经济性与安全性。
v 全维度监控覆盖
突破传统EMS监控盲区,兼容多厂家设备与多种协议,实现对环境、安防、消防、视频监控、电能质量、计量装置、继电保护等系统的统一接入与集中监管。
2. 系统界面展示
4.1 系统主界面
展示微电网整体运行状态,涵盖市电输入、光伏/风电出力、储能充放电、充电桩负荷及用电情况,同时集成收益统计、天气信息、节能减排成效等关键数据。
4.2 智能监控功能
实时监测光伏组件、逆变器、风力控制一体机、储能电池、变流器及各类用电设备的运行参数,全面掌握系统健康状况与性能表现。
4.3 功率预测能力
对分布式电源进行短期与超短期发电功率预测,提供预测合格率与误差分析报告,提升调度精准度。
4.4 电能质量管理
对全网范围内的电能质量与供电可靠性进行持续监测,涵盖电压谐波、闪变、不平衡等稳态指标,以及电压暂升/暂降、中断等暂态事件,支持录波回放与异常分析。
4.5 可视化运行管理
实现微电网无人值守运行,推动管理向数字化、智能化、便捷化方向发展,保障重要负荷与核心设备的全天候监控。
4.6 优化控制策略
结合历史用电数据、气象条件、分布式电源出力与储能状态,开展负荷功率预测与经济调度,降低高峰时段用电负荷,有效压缩企业综合电费支出。
4.7 收益数据分析
用户可查看光伏、储能、充电桩各部分的日度电量与收益明细,并支持切换至年度视图,浏览每月收益变化趋势。
4.8 能源效率分析
通过对光伏、风电、储能设备的发电效率与能量转换效率进行深度分析,评估设备运行性能与健康状态,辅助运维决策。
四、典型应用案例
以广东某能源集团的光储一体柜项目为例,该项目采用安科瑞2000MG微电网能量管理系统,实现了对光伏、储能、充电桩的一体化监控与协调控制,保障了系统安全稳定运行。项目主要特点包括:利用储能系统实施削峰填谷策略,显著降低用电成本;同时通过储能调节提升光伏自发自用比例,增强新能源消纳能力。
1. 运行策略说明
并网模式:DC模块工作于MPPT模式,储能PCS运行于PQ模式,根据光照强度、负荷需求及电价时段,灵活调度白天光伏充足或不足时的电力输出。
离网模式:DC模块仍保持MPPT模式,储能系统切换至VF模式,实时跟踪光伏出力与负载用电需求,控制储能充放电过程,并在必要时降低光伏输出功率,维持系统稳定运行。
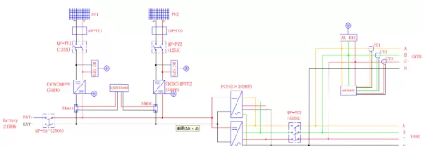
二、组网架构
三、系统展示
五、光储充管控系统的效益分析
- 节约用电支出:通过光伏电力与储能装置的协同运作,在电价较高的时段优先使用自产电能,显著减少电费开支。
- 优化能源使用效率:借助智能化控制策略,对光伏发电、储能单元及充电设施进行统一调度,实现能源的合理分配与最大化利用,减少不必要的能源损耗。
- 增强供电可靠性:当外部电网发生故障或停电时,储能系统可迅速切换为备用电源模式,确保关键负荷持续运行,提升用电安全性。
- 推动环保可持续发展:广泛应用太阳能等清洁能源,有效降低碳排放水平,积极应对气候变化,履行生态保护责任。
- 改善管理体验与舒适度:依托智能管理系统,实现能源使用的远程监控与自动化调节,使运维更高效,生活与工作环境更加便捷舒适。


雷达卡


京公网安备 11010802022788号







