传感器工作原理:
催化燃烧式可燃气体传感器通常采用铂金丝构成的检测元件与补偿元件,二者配对形成电桥的一个臂。其中,检测元件通过铂丝加热后电阻的变化来反映可燃气体的浓度。当目标气体进入传感器时,在铂丝表面发生无焰氧化反应(即催化燃烧),释放出热量,使铂丝温度上升,进而导致其电阻率改变,电阻值升高。这一变化引起电桥输出电压的变动,且该电压变化量与气体浓度呈正比关系。
补偿元件主要用于提供参考基准,并实现环境温湿度变化的补偿功能,确保在无目标气体存在时,其电阻值与检测元件保持一致,从而提升测量稳定性。
一般情况下,检测元件和补偿元件的原始电阻值较低。以日本根本N55A型号为例,阻值约为4Ω,因此可通过万用表检测通断状态来初步判断传感器是否正常。
基于其催化燃烧机制,此类传感器适用于天然气、液化石油气、煤气及各类烷烃等可燃气体的浓度监测,具有较宽的检测范围。

检测电路设计——惠斯通电桥结构:
惠斯通电桥由四个电阻组成,常用于精确测定其中一个未知电阻的阻值。如图所示,若已知R1、R2、R3三个电阻值,当BD两点间电压为零时,满足R1/Rx = R2/R3的关系,由此可计算出Rx = (R1 × R3) / R2。若Rx阻值发生变化(例如因气体作用导致电阻升高),则B点电位将高于D点,产生自上而下的电流。通过监测BD之间的电压差变化,即可推导出Rx的变化情况,从而间接获得气体浓度信息。

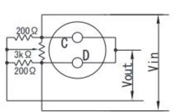
推荐电路优化方案:
在实际应用中,推荐电路引入了一个3kΩ的可调变阻器。该变阻器的上半部分与一个200Ω电阻并联,下半部分也与另一个200Ω电阻并联。根据并联电阻公式 R总 = (R1 × R2) / (R1 + R2),这种连接方式可以灵活调节电桥中200Ω支路的有效阻值。此设计目的在于抵消因元件本身电阻偏差带来的测量误差,提高系统整体精度。
传感器技术参数:
- 供电电压:AC 2.5 ± 0.25V(频率50~60Hz);DC 2.5 ± 0.25V
- 消耗电流:AC 160~180mA(50~60Hz);DC 160~180mA
- 工作环境条件:温度 -20℃ 至 +60℃;相对湿度 ≤95%RH(无凝露)
- 甲烷灵敏度:17–28mV/10%LEL
- 响应时间:不超过20秒
- 影响因素说明:电源电压波动会影响检测结果;温度变化可能引起零点漂移,最大可达3%LEL;湿度变化对零点影响较小
- 标定前要求:进行气体校准前,需通电预热老化至少1小时
使用注意事项:
- 避免接触挥发性硅化合物蒸气:若传感器表面吸附了如硅胶、发胶、硅橡胶、腻子或含硅塑料添加剂等释放的蒸汽,敏感材料会被覆盖,导致灵敏度下降且无法恢复。应远离此类污染源。
- 禁止施加过高电压:即使未造成物理损坏,超过规定值的电压仍可能导致引线损伤,进而降低传感器的响应性能。
- 正确接入电路:传感器管座底部标记“D”的为检测元件端,“C”对应补偿元件端,接线时需准确识别。
- 焊接工艺建议:推荐采用手工焊接方式,焊接温度控制在250℃以内,单次操作时间不得超过3秒,以防热损伤。


雷达卡


京公网安备 11010802022788号







