在微电网储能系统仿真研究中,针对两组锂电池SOC差异较大导致功率分配不均的问题,提出了一种改进的分段下垂控制策略。该方法通过动态调整下垂系数,实现蓄电池组间更快速、平稳的SOC均衡,同时保障直流母线电压和系统功率的稳定。
相较于传统下垂控制采用固定线性关系进行功率分配的方式,本方案引入了三段式非线性下垂曲线:当SOC差值超过5%时,启用指数型强响应机制以加快调节速度;在2%-5%区间内采用二次函数过渡;当SOC差小于2%时切换回线性控制模式,确保接近均衡状态时的平滑收敛。这种设计类似于驾驶过程中的加减速逻辑——远距离时加速推进,临近目标则逐步缓行。
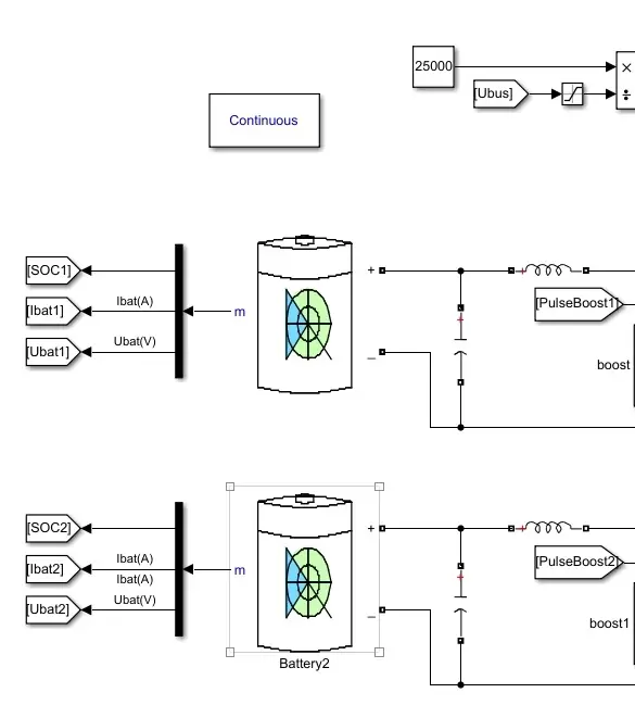
控制核心在于自主构建的改进型下垂控制器模块,在MATLAB/Simulink环境中搭建双电池组模型进行验证。控制器主要完成三项功能:
- 根据实时SOC差动态计算下垂系数
- 生成各电池单元的功率输出指令
- 提供直流母线电压补偿量
其中,关键参数exp(3*abs(delta_SOC))起到了“涡轮增压”作用——当SOC偏差显著时,迅速提升调节强度,大幅缩短响应时间。
function [P_ref, V_comp] = DroopController(SOC1, SOC2, C1, C2, V_nom)
delta_SOC = SOC1 - SOC2;
K_base = 0.05 * (C1 + C2)/2; % 基础下垂系数
if abs(delta_SOC) > 0.05
K = K_base * exp(3*abs(delta_SOC)); % 指数区
elseif abs(delta_SOC) > 0.02
K = K_base * (1 + 20*(abs(delta_SOC)-0.02)^2); % 二次过渡区
else
K = K_base; % 线性区
end
P_ref = K * delta_SOC; % 功率基准差值
V_comp = 0.1 * sign(delta_SOC) * P_ref^2; % 电压补偿量
end
为了抑制因出力变化引起的母线电压波动,系统还集成了电压补偿模块。该模块在原有控制输出基础上叠加一个与参考功率相关的非线性补偿项。特别地,Vcomp中引入Pref2项,使得在高功率运行条件下能提供更强的电压支撑能力。实测结果显示,该设计可将母线电压波动控制在±0.2V以内,显著提升了系统的电能质量稳定性。
仿真对比表明:初始SOC分别为60%和40%的两组60Ah锂电池,在传统控制下需82秒才能完成均衡,而采用分段下垂控制后仅用23秒即达成一致,效率提升超过3倍。更重要的是,在充放电状态切换过程中,传统方法出现高达12%的功率阶跃波动,而新策略下的功率过渡极为平滑,几乎无冲击。
实际调试过程中也发现了一些关键问题。例如,若指数区的增益系数设置过大,容易引发系统振荡。经验表明,系统时间常数τ应满足τ > 1/(2*K_max),否则需在补偿回路中加入低通滤波环节以增强稳定性。初期因忽略此条件曾出现高频振荡现象,经优化后得以解决。
该控制策略尤其适用于含高比例新能源接入的风光储混合微网系统。在光照突变或负荷跳变等工况下,能够有效应对电池组频繁切换工作状态带来的挑战,提升整体运行可靠性。
未来计划进一步融合负荷与可再生能源出力预测信息,构建前馈-反馈复合控制架构,有望将SOC均衡响应速度再提升一个数量级。
此外,基于锂电池的微网储能系统通过分段下垂控制实现了SOC一致性调节。系统根据微网内部功率盈余情况,自动调节不同初始SOC电池组的出力比例,使二者SOC逐步趋同。整个过程中直流母线电压得到精确补偿,系统功率输出保持平稳无波动。



雷达卡


京公网安备 11010802022788号







