基于MATLAB/Simulink的光伏逆变器并网仿真模型研究
随着可再生能源技术的快速发展,光伏发电系统在能源结构中的占比持续上升。作为系统核心组件之一,光伏逆变器的并网性能直接影响发电效率与电能质量。为验证控制策略的有效性,常采用MATLAB/Simulink平台构建并网仿真模型,通过模拟实际运行工况,评估系统动态响应、稳定性及谐波抑制能力。
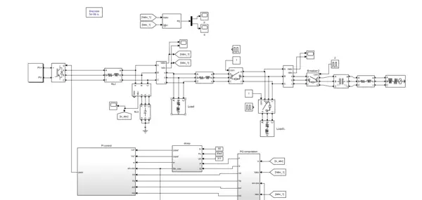
本研究利用MATLAB环境搭建完整的光伏并网系统模型,重点分析逆变控制策略的可行性,并引入LCL滤波结构以降低输出电流谐波含量,确保总谐波畸变率(THD)控制在5%以下,满足并网标准要求。同时,提供详细的模型说明与参考文献支持。
系统模型构成与设计思路
光伏逆变并网系统的仿真模型主要由以下几个关键模块组成:
- 光伏阵列模块:模拟太阳能电池板的直流输出特性,提供稳定的DC电压源,作为逆变器的输入能量来源。
- 逆变器单元:将来自光伏阵列的直流电转换为交流电,通过适当的调制方式和控制算法实现并网功能。
- LCL滤波器:连接在逆变器与电网之间,用于有效抑制高频谐波分量,提升输出电能质量。
- 并网接口部分:包括电网等效模型和负载模块,用以模拟真实电网环境下的接入条件与负载变化情况。
整体系统结构清晰,各模块协同工作,共同实现高效、稳定、高质量的并网运行。
% 光伏阵模型
pv_voltage = 1000; % 光伏阵输出电压(V)
pv_current = 10; % 光伏阵输出电流(A)
% 逆变器参数
Vdc = 1000; % 直流输入电压
Vac = 220; % 交流输出电压
freq = 50; % 网频
% LCL滤波器参数
L1 = 0.1; % 逆变侧电感
L2 = 0.1; % 网侧电感
Cf = 10; % 滤波电容
Rd = 100; % 抗阻-电容分压器
控制策略的设计与实现
控制策略是决定系统性能的核心环节,主要包括两种运行模式:
- 并网运行模式:在此模式下,逆变器需实时跟踪电网电压的频率与相位,实现同步并网,确保输出电流与电网同频同相。
- 离网运行模式:当脱离主网时,逆变器应具备独立供电能力,维持输出电压和频率的稳定,保障本地负载正常运行。
为了实现快速且精确的控制响应,通常采用双闭环控制结构——外环调节功率或电压,内环控制电流。通过对PI参数的合理整定,可显著提升系统的动态响应速度与抗干扰能力。
% 并网控制策略
% 1. 相位锁定环(PLL)实现与电网同步
% 2. 电压和电流双闭环控制
% 3. PWM信号生成
LCL滤波器的参数优化
LCL滤波器因其优异的高频衰减特性,被广泛应用于三相并网逆变系统中。其设计目标是在保证系统稳定的前提下,最大限度地削弱开关频率附近的谐波成分。
在参数选择过程中需综合考虑以下因素:
- 电感值设定:较大的电感有助于增强滤波效果,但会增加体积、重量及成本,同时可能影响动态响应速度。
- 电容值配置:电容决定了滤波器的截止频率,过大可能导致流过电容的无功电流过高,降低系统效率。
- 阻尼电阻选取:适当加入阻尼电阻可抑制谐振峰,提高系统稳定性,但会带来额外的能量损耗。
通过反复仿真调试,优化上述参数组合,最终使系统输出电流的THD低于5%,满足IEEE 519电能质量标准。
% LCL滤波器参数优化
L1 = 0.1; % 逆变侧电感
L2 = 0.1; % 网侧电感
Cf = 10; % 滤波电容
Rd = 100; % 抗阻-电容分压器
% 计算截止频率
f_c = 1/(2*pi*sqrt(L1*L2/(L1+L2)*Cf));
disp(['截止频率:', num2str(f_c), 'Hz']);
仿真结果与性能评估
完成模型搭建与参数整定后,进行多场景仿真测试,从多个维度评估系统性能:
- 并网电压与电流波形:观察是否实现良好同步,电流波形是否接近理想正弦波。
- 谐波含量分析:借助FFT工具对并网点电流进行频谱分析,确认主要谐波被有效抑制。
- 动态响应能力:模拟突加/突卸负载等工况,检验系统在扰动下的恢复速度与稳定性。
仿真结果显示,优化后的系统不仅实现了平滑并网,且在各种工况下均表现出良好的鲁棒性与控制精度。
% THD分析
v_out = simout.v_out; % 输出电压
f0 = 50; % 基频
n = length(v_out);
fs = 1/(n-1); % 采样频率
fft_v = fft(v_out); % FFT变换
thd = 100*sum(abs(fft_v(2:end/2)).^2)/(abs(fft_v(1))).^2;
disp(['谐波畸变率:', num2str(thd), '%']);
结论与展望
本文基于MATLAB/Simulink平台构建了光伏逆变器并网系统仿真模型,完成了从建模、控制器设计到LCL滤波器优化的全过程。仿真结果表明,所采用的控制策略能够有效提升系统的动态性能与稳定性,同时通过合理的滤波设计将谐波畸变率控制在5%以内,满足并网电能质量要求。
未来的研究方向可拓展至更先进的智能控制方法,例如结合自适应控制、模糊逻辑或基于机器学习的优化算法,进一步提升系统在复杂环境下的自调节能力与整体效率。


雷达卡


京公网安备 11010802022788号







