论文复现:基于Matlab/Simulink的锂电池双向充放电模型仿真
本文介绍了如何在Matlab/Simulink环境中实现锂电池的充放电模型,完整复现了参考论文《充电机后级DC/DC变换器的充电控制方法与均流控制策略研究》中的核心内容。该模型支持双向能量流动,涵盖恒流(CC)与恒压(CV)两种典型充电模式,并具备良好的电压电流追踪能力。
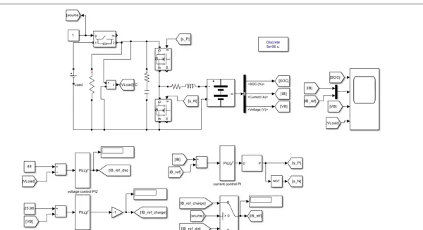
系统总体设计思路
锂电池的充放电过程通常分为多个阶段。在充电初期,采用恒流(CC)模式,保持电流恒定,电池电压随时间逐渐上升;当电压达到预设阈值时,切换至恒压(CV)模式,维持电压不变,电流则逐步衰减。放电过程可视为反向操作。本模型通过Simulink平台构建完整的电气回路与控制逻辑,以准确模拟这一动态行为。
Simulink建模关键模块
1. 电源与负载配置
在模型中,使用Simulink中的直流电源(DC Source)作为充电输入源,并设定合适的输出电压。负载部分则通过电阻(Resistor)模块实现,用于模拟外部用电设备。通过调节电阻阻值,可以灵活改变负载大小,从而测试不同工况下的系统响应特性。
2. 双向DC/DC变换器结构
实现能量双向传输的核心是双向DC/DC变换器。本模型基于Simscape Electrical库搭建了一个双向Buck-Boost拓扑结构,能够根据工作模式自动切换能量流向。
以下为构建基本模型框架的MATLAB脚本示例(仅用于示意模块连接关系,非完整可运行代码):
% 创建一个新的 Simulink 模型
model_name = 'bidirectional_dcdc';
new_system(model_name);
% 添加电源模块
power_source = add_block('simscape/Sources/DC Voltage Source', [model_name '/DC Source']);
set_param(power_source, 'Voltage', '12'); % 设置电源电压为12V
% 添加双向 Buck - Boost 变换器模块(假设使用自定义子系统封装实现)
buck_boost = add_block('simulink/Power Systems Library/Buck - Boost Converter', [model_name '/Bidirectional Buck - Boost']);
% 添加负载电阻模块
load_resistor = add_block('simscape/Electrical Elements/Resistor', [model_name '/Resistor']);
set_param(load_resistor, 'Resistance', '10'); % 设置电阻为10欧姆
% 连接模块
add_line(model_name, 'DC Source+/Bidirectional Buck - Boost/In+');
add_line(model_name, 'DC Source-/Bidirectional Buck - Boost/In-');
add_line(model_name, 'Bidirectional Buck - Boost/Out+/Resistor/+/1');
add_line(model_name, 'Bidirectional Buck - Boost/Out-/Resistor/-/1');
该脚本初始化了一个包含电源、双向变换器和负载电阻的基本Simulink模型,并完成各组件之间的信号与电气连接。实际应用中需配合复杂的控制算法来实现模式切换与稳定运行。
3. 控制策略实现
恒流(CC)控制机制
在恒流模式下,系统采集回路电流并与目标值进行比较,形成误差信号。该误差送入PI控制器,其输出用于调节变换器的PWM占空比,从而实现对电流的闭环控制。
PI控制器的简化实现如下(以MATLAB函数形式表示):
function output = pi_controller(error, kp, ki, dt)
persistent integral;
if isempty(integral)
integral = 0;
end
p_term = kp * error;
integral = integral + error * dt;
i_term = ki * integral;
output = p_term + i_term;
% 限制输出范围,防止饱和
output = max(min(output, 1), 0);
end
其中:
表示比例增益系数kp
为积分增益系数ki
是系统采样周期dt
代表设定电流与实测电流之间的偏差error
控制器依据该偏差实时调整输出,确保电流快速且平稳地跟踪设定值。
恒压(CV)控制机制
恒压控制原理与恒流类似,区别在于反馈量由电流替换为电池端电压。将检测到的电压与目标恒压值做差,误差输入相同的PI控制器结构,输出用于调节占空比,使电压稳定在设定水平。
4. 锂电池本体建模
为提高仿真精度,采用Simscape Battery库中的锂电池模块构建电池模型。该模型能反映电池内部特性,如内阻变化、开路电压随荷电状态(SOC)的非线性关系等。将双向变换器的输出端连接至电池端口,即可实现电能的双向传递与状态更新。
仿真运行与结果分析
完成模型搭建后,设置合理的仿真参数(如仿真时长、求解器类型及步长),启动仿真过程。重点关注电池电压、充放电电流以及变换器PWM占空比的变化趋势。
从仿真波形可以看出:在充电初始阶段,系统工作于恒流模式,电流迅速稳定在设定值;随着电池电压上升并达到阈值,自动转入恒压模式,此时电压保持恒定,电流呈指数下降趋势,完全符合锂电池的标准充电曲线。放电过程同样表现出良好的控制性能,验证了双向功能的有效性。
此外,变换器对设定电压与电流的追踪效果良好,动态响应快,稳态误差小,表明所设计的控制策略具有较高的可靠性与实用性。
总结
本文成功在Matlab/Simulink中构建并仿真了具备双向充放电能力的锂电池模型,完整实现了恒流与恒压双模式切换控制,复现了目标论文的核心技术路线。该模型不仅可用于深入理解锂电池的工作机制,也为后续研究DC/DC变换器控制策略提供了可靠的仿真平台。
整个建模过程展示了如何结合物理建模与控制算法,在仿真环境中还原真实电力电子系统的运行特性。希望本文内容能为从事相关领域研究的技术人员提供有价值的参考。



雷达卡


京公网安备 11010802022788号







