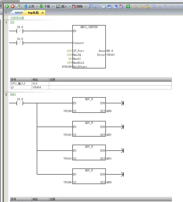
若不倾向于使用梯形图进行编程,可将PLC配置为Modbus TCP从站,实现数据采集功能。
在此架构中,PLC仅承担现场数据的采集与传输任务,主控制逻辑由上位机完成。上位机作为主站,负责整体系统的调度与控制决策。
需要注意的是,西门子200SMART系列PLC默认采用小端字节序(Little-Endian)格式进行数据存储与通信。

|
楼主: 吴坚强的账号
|
2963
0
[其他] 200smart做modbusTCP从站 |
扫码京ICP备16021002号-2 京B2-20170662号
京公网安备 11010802022788号
论坛法律顾问:王进律师
知识产权保护声明
免责及隐私声明


